Главная > Подшипники> Комбинированные>NAXK50

NAXK50 — Роликовый игольчатый подшипник, импортное производство по ISO стандарту основное исполнение.
Производитель: KOYO.
Упорный шариковый подшипник с механически обработанным наружным кольцом и радиальный игольчатый роликоподшипник без внутреннего кольца.
К = Коническая посадка, конусность 1:12.
Цена по запросу
Цена на подшипник зависит от:
| Обозначение | Модификация |
|---|---|
| NAXK50Z | Упорный шариковый подшипник с механически обработанным наружным кольцом и радиальный игольчатый роликоподшипник без внутреннего кольца. К = Коническая посадка, конусность 1:12. |
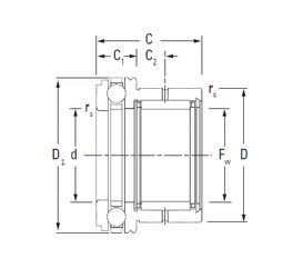
Габаритные размеры
Размеры и геометрические характеристики
Нагрузка и ресурс
Защита
Присоединительные размеры
Конструкция и исполнение
Роликовый игольчатый подшипник RNAO50x62x20 (CX, INA, ISO, KOYO, NBS)
Роликовый игольчатый подшипник K50X58X35H (KOYO, TIMKEN)
Игольчатый роликоподшипник K50X62X30H.ZB2 (TIMKEN)
Подшипник игольчатый радиальный RNAF506220 (IKO, JNS, NSK)
Роликовый игольчатый подшипник RNAFW 506240 (IKO, JNS, NSK)