Главная > Подшипники> Комбинированные>NAXK40Z

NAXK40Z — Роликовый игольчатый подшипник, импортное производство по ISO стандарту номер основного исполнения .
Производитель: KOYO.
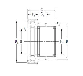
Упорный шариковый подшипник с механически обработанным наружным кольцом и радиальный игольчатый роликоподшипник без внутреннего кольца.
К = Коническая посадка, конусность 1:12.
Цена по запросу
Цена на подшипник зависит от:
Габаритные размеры
Размеры и геометрические характеристики
Нагрузка и ресурс
Защита
Присоединительные размеры
Конструкция и исполнение
Подшипник шариковый упорный 1008908 Ю1 (ГПЗ-2)
Подшипник шариковый из нержавеющей стали S61808-2RS (ZEN)
Подшипник шариковый из нержавеющей стали S61808 (ZEN)
Подшипник игольчатый радиальный KTW 405238 (IKO)
Игольчатый роликоподшипник PK40X52X17.8 (NTN)
Игольчатый роликоподшипник RNA69/32R (NTN)