Главная > Подшипники> Комбинированные>NAXK35

NAXK35 — Роликовый игольчатый подшипник, импортное производство по ISO стандарту основное исполнение.
Производитель: KOYO.
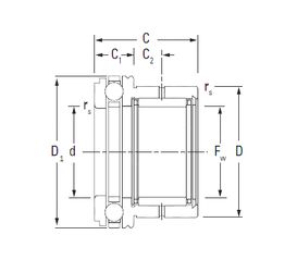
Упорный шариковый подшипник с механически обработанным наружным кольцом и радиальный игольчатый роликоподшипник без внутреннего кольца.
К = Коническая посадка, конусность 1:12.
Цена по запросу
Цена на подшипник зависит от:
| Обозначение | Модификация |
|---|---|
| NAXK35Z | Упорный шариковый подшипник с механически обработанным наружным кольцом и радиальный игольчатый роликоподшипник без внутреннего кольца. К = Коническая посадка, конусность 1:12. |
Габаритные размеры
Размеры и геометрические характеристики
Нагрузка и ресурс
Защита
Присоединительные размеры
Конструкция и исполнение
Подшипник упорный шариковый одинарный 1008907 Ю1 (ГПЗ-2)
Подшипник шариковый из нержавеющей стали S61807-2RS (ZEN)
Радиальный шарикоподшипник S61807 (ZEN)
Роликовый игольчатый подшипник RNAO35x47x16 (CX, INA, ISO, KOYO, NBS)
Роликовый игольчатый подшипник RNAO35x47x18 (CX, INA, ISO, NBS, NTN)
Роликовый игольчатый подшипник RNAO35x47x32 (CX, ISO, KOYO, SKF, TIMKEN)