Главная > Подшипники> Комбинированные>NAXK30Z

NAXK30Z — Роликовый игольчатый подшипник, импортное производство по ISO стандарту номер основного исполнения NAXK30.
Производитель: KOYO.
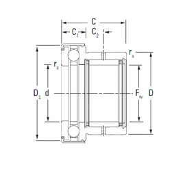
Упорный шариковый подшипник с механически обработанным наружным кольцом и радиальный игольчатый роликоподшипник без внутреннего кольца.
К = Коническая посадка, конусность 1:12.
Цена по запросу
Цена на подшипник зависит от:
| Обозначение | Модификация |
|---|---|
| NAXK30 | Основное конструктивное исполнение. |
Габаритные размеры
Размеры и геометрические характеристики
Нагрузка и ресурс
Защита
Присоединительные размеры
Конструкция и исполнение
Подшипник игольчатый радиальный 664706Е3
Подшипник игольчатый радиальный 864906KЕ (МПЗ)
Подшипник шариковый из нержавеющей стали S61806-2RS (ZEN)
Подшипник шариковый из нержавеющей стали S61806 (ZEN)
Радиальный шарикоподшипник S61806-2Z (ZEN)
Роликовый игольчатый подшипник RNAO30x42x32 (CX, ISO, KOYO, SKF, TIMKEN)