Главная > Подшипники> Комбинированные>NAXK25

NAXK25 — Роликовый игольчатый подшипник, импортное производство по ISO стандарту основное исполнение.
Производитель: KOYO.
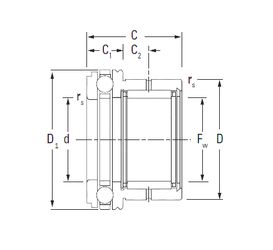
Упорный шариковый подшипник с механически обработанным наружным кольцом и радиальный игольчатый роликоподшипник без внутреннего кольца.
К = Коническая посадка, конусность 1:12.
Цена по запросу
Цена на подшипник зависит от:
| Обозначение | Модификация |
|---|---|
| NAXK25Z | Упорный шариковый подшипник с механически обработанным наружным кольцом и радиальный игольчатый роликоподшипник без внутреннего кольца. К = Коническая посадка, конусность 1:12. |
Габаритные размеры
Размеры и геометрические характеристики
Нагрузка и ресурс
Защита
Присоединительные размеры
Конструкция и исполнение
Подшипник шариковый упорный 6-1008905 Ю (ГПЗ-2)
Радиальный шарикоподшипник S61805-2Z (ZEN)
Подшипник шариковый из нержавеющей стали S61805-2RS (ZEN)
Радиальный шарикоподшипник S61805 (ZEN)
Роликовый игольчатый подшипник RNAO25x37x16 (CX, INA, ISO, KOYO, NBS)
Роликовый игольчатый подшипник K25X35X36H (KOYO, TIMKEN)