Главная > Подшипники> Комбинированные>NAXK20Z

NAXK20Z — Роликовый игольчатый подшипник, импортное производство по ISO стандарту номер основного исполнения NAXK20.
Производитель: KOYO.
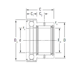
Упорный шариковый подшипник с механически обработанным наружным кольцом и радиальный игольчатый роликоподшипник без внутреннего кольца.
К = Коническая посадка, конусность 1:12.
Цена по запросу
Цена на подшипник зависит от:
| Обозначение | Модификация |
|---|---|
| NAXK20 | Основное конструктивное исполнение. |
Габаритные размеры
Размеры и геометрические характеристики
Нагрузка и ресурс
Защита
Присоединительные размеры
Конструкция и исполнение
Подшипник игольчатый радиальный K203019PC (KBC)
Игольчатый роликоподшипник PK20X30X21.8 (NTN)