Главная > Подшипники> Комбинированные>NAX 6040Z

NAX 6040Z — Роликовый игольчатый подшипник, импортное производство по ISO стандарту номер основного исполнения NAX6040.
Производитель: IKO.
Металлический экран с одной стороны.
Цена по запросу
Цена на подшипник зависит от:
| Обозначение | Модификация |
|---|---|
| NAX 6040 |
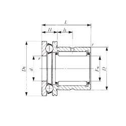
Габаритные размеры
Размеры и геометрические характеристики
Нагрузка и ресурс
Защита
Присоединительные размеры
Конструкция и исполнение
Другие размеры
Радиальный шарикоподшипник PC50720020CS (PFI)
Подшипник шариковый из нержавеющей стали S61910-2RS (ZEN)
Радиальный шарикоподшипник S61910 (ZEN)
Цилиндрический роликоподшипник RS-4910E4 (NSK)
Цилиндрический роликоподшипник RSF-4910E4 (NSK)
Подшипник роликовый цилиндрический двухрядный RSL185010-A (INA)