Главная > Подшипники> Комбинированные>NAX 4532

NAX 4532 — Роликовый игольчатый подшипник, импортное производство по ISO стандарту номер основного исполнения NAX4532.
Производитель: IKO.
Цена по запросу
Цена на подшипник зависит от:
| Обозначение | Модификация |
|---|---|
| NAX 4532Z | 2Z = Металлические шайбы с каждой стороны подшипника. |
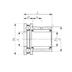
Габаритные размеры
Размеры и геометрические характеристики
Нагрузка и ресурс
Защита
Присоединительные размеры
Конструкция и исполнение
Другие размеры
Игольчатый роликоподшипник FWF-505820 (NSK)
Игольчатый роликоподшипник FWF-505825 (NSK)
Роликовый игольчатый подшипник K50X57X18FH (KOYO, TIMKEN)
Роликовый игольчатый подшипник K50X58X20H (KOYO, TIMKEN)
Подшипник игольчатый радиальный K50X58X25H (KOYO, TIMKEN)
Подшипник игольчатый радиальный KT 505835 (IKO)