Главная > Подшипники> Комбинированные>NAX 4032

NAX 4032 — Роликовый игольчатый подшипник, импортное производство по ISO стандарту номер основного исполнения NAX4032.
Производитель: IKO.
Цена по запросу
Цена на подшипник зависит от:
| Обозначение | Модификация |
|---|---|
| NAX 4032Z | 2Z = Металлические шайбы с каждой стороны подшипника. |
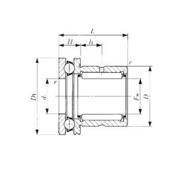
Габаритные размеры
Размеры и геометрические характеристики
Нагрузка и ресурс
Защита
Присоединительные размеры
Конструкция и исполнение
Другие размеры
Роликовый игольчатый подшипник NBX 4032 (IKO)
Роликовый игольчатый подшипник NBX 4032Z (IKO)