Главная > Подшипники> Комбинированные>NAX 3030Z

NAX 3030Z — Роликовый игольчатый подшипник, импортное производство по ISO стандарту номер основного исполнения NAX3030.
Производитель: IKO.
Металлический экран с одной стороны.
Цена по запросу
Цена на подшипник зависит от:
| Обозначение | Модификация |
|---|---|
| NAX 3030 |
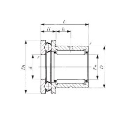
Габаритные размеры
Размеры и геометрические характеристики
Нагрузка и ресурс
Защита
Присоединительные размеры
Конструкция и исполнение
Другие размеры
Подшипник комбинированный NBX 3030 (IKO)
Роликовый игольчатый подшипник NBX 3030Z (IKO)