Главная > Подшипники> Комбинированные>NAX 1523

NAX 1523 — Подшипник комбинированный, импортное производство по ISO стандарту номер основного исполнения NAX1523.
Производитель: IKO.
Цена по запросу
Цена на подшипник зависит от:
| Обозначение | Модификация |
|---|---|
| NAX 1523Z | Металлический экран с одной стороны. |
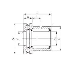
Габаритные размеры
Размеры и геометрические характеристики
Нагрузка и ресурс
Защита
Присоединительные размеры
Конструкция и исполнение
Другие размеры
Роликовый игольчатый подшипник NBX 1523Z (IKO)
Подшипник комбинированный NBX 1523 (IKO)