Главная > Подшипники> Комбинированные>NAX 1223Z

NAX 1223Z — Роликовый игольчатый подшипник, импортное производство по ISO стандарту номер основного исполнения NAX1223.
Производитель: IKO.
Металлический экран с одной стороны.
Цена по запросу
Цена на подшипник зависит от:
| Обозначение | Модификация |
|---|---|
| NAX 1223 |
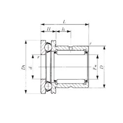
Габаритные размеры
Размеры и геометрические характеристики
Нагрузка и ресурс
Защита
Присоединительные размеры
Конструкция и исполнение
Другие размеры