Главная > Подшипники> Роликовые > Радиальные сферические>NAO65X95X60

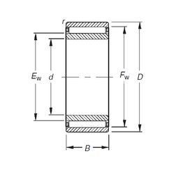
NAO65X95X60 — Роликовый игольчатый подшипник, импортное производство по ISO стандарту, размер 65x95x60 номер основного исполнения .
Производится брендами: KOYO, TIMKEN.
X = Внешние размеры, соответствующие международным стандартам.
Цена по запросу
Цена на подшипник зависит от:
Габаритные размеры
Размеры и геометрические характеристики
Нагрузка и ресурс
Защита
Присоединительные размеры
Конструкция и исполнение
Роликовый игольчатый подшипник NAFW 659560 (IKO, JNS, NSK)