Главная > Подшипники> Роликовые > Игольчатые>NAO25X40X26

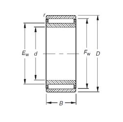
NAO25X40X26 — Роликовый игольчатый подшипник, импортное производство по ISO стандарту, размер 25x40x26 номер основного исполнения .
Производится брендами: KOYO, TIMKEN.
X = Внешние размеры, соответствующие международным стандартам.
Цена по запросу
Цена на подшипник зависит от:
Габаритные размеры
Размеры и геометрические характеристики
Нагрузка и ресурс
Защита
Присоединительные размеры
Конструкция и исполнение
Роликовый игольчатый подшипник NAFW 254026 (IKO, JNS, NSK)