Главная > Подшипники> Роликовые > Игольчатые>NAO20X35X26

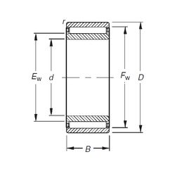
NAO20X35X26 — Роликовый игольчатый подшипник, импортное производство по ISO стандарту, размер 20x35x26 номер основного исполнения .
Производится брендами: KOYO, TIMKEN.
X = Внешние размеры, соответствующие международным стандартам.
Цена по запросу
Цена на подшипник зависит от:
Габаритные размеры
Размеры и геометрические характеристики
Нагрузка и ресурс
Защита
Присоединительные размеры
Конструкция и исполнение
Подшипник шарнирный НУ2Ш20 ВК (ГПЗ-3)
Подшипник скольжения сферический НУ2Ш20 ЮТВК (ГПЗ-3)
Подшипник шарнирный НУ2ШС20 ВК (ГПЗ-3)
Подшипник скольжения сферический НУ2ШС20 ЮТВК (ГПЗ-3)
Роликовый игольчатый подшипник NAFW 203526 (IKO, JNS, NSK)