Главная > Подшипники> Роликовые > Игольчатые>NA3120

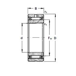
NA3120 — Роликовый игольчатый подшипник, импортное производство по ISO стандарту, размер 120x170x45 основное исполнение.
Производится брендами: KOYO, TIMKEN.
Игольчатый роликоподшипник с размерами по ISO 15.
Цена по запросу
Цена на подшипник зависит от:
Габаритные размеры
Размеры и геометрические характеристики
Нагрузка и ресурс
Защита
Присоединительные размеры
Конструкция и исполнение