Главная > Подшипники> Роликовые > Игольчатые>NA3045

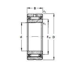
NA3045 — Роликовый игольчатый подшипник, импортное производство по ISO стандарту, размер 45x85x38 основное исполнение.
Производится брендами: KOYO, TIMKEN.
Игольчатый роликоподшипник с размерами по ISO 15.
Цена по запросу
Цена на подшипник зависит от:
Габаритные размеры
Размеры и геометрические характеристики
Нагрузка и ресурс
Защита
Присоединительные размеры
Конструкция и исполнение
Подшипник шариковый радиальный 25-190209 Ю9П (ГПЗ-1)
Подшипник шариковый радиальный 25-190209 Ю9 (ГПЗ-1)
Подшипник шариковый радиальный 35-190209 Ю1 (ГПЗ-1)
Подшипник шариковый радиальный спаренный 35-190209 Ю1П (ГПЗ-1)
Подшипник шариковый радиально-упорный 2-346209 Е (ГПЗ-3)
Подшипник шариковый радиально-упорный спаренный 2-246209 Л (ГПЗ-3)