Главная > Подшипники> Роликовые > Игольчатые>NA1070

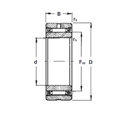
NA1070 — Подшипник игольчатый радиальный, импортное производство по ISO стандарту, размер 70x100x20 основное исполнение.
Производится брендами: KOYO, TIMKEN.
Игольчатый роликоподшипник с размерами по ISO 15.
Цена по запросу
Цена на подшипник зависит от:
Габаритные размеры
Размеры и геометрические характеристики
Нагрузка и ресурс
Защита
Присоединительные размеры
Конструкция и исполнение
Подшипник шариковый радиальный 114 АК1 (ГПЗ-23)
Цилиндрический роликоподшипник N1014RXHZTPKR (NSK)
Цилиндрический роликоподшипник N1014RXHZTP (NSK)
Цилиндрический роликоподшипник N1014RXHTPKR (NSK)
Цилиндрический роликоподшипник N1014RXZTP (NSK)
Цилиндрический роликоподшипник N1014RSZTPKR (NSK)