Главная > Подшипники> Роликовые > Игольчатые>NA1060

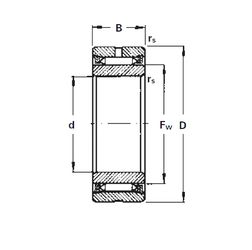
NA1060 — Роликовый игольчатый подшипник, импортное производство по ISO стандарту, размер 60x90x20 основное исполнение.
Производится брендами: KOYO, TIMKEN.
Игольчатый роликоподшипник с размерами по ISO 15.
Цена по запросу
Цена на подшипник зависит от:
Габаритные размеры
Размеры и геометрические характеристики
Нагрузка и ресурс
Защита
Присоединительные размеры
Конструкция и исполнение
Подшипник роликовый радиальный с короткими цилиндрическими роликами без внутреннего кольца 292210Н
Подшипник роликовый радиальный с короткими цилиндрическими роликами без внутреннего кольца 292210
Цилиндрический роликоподшипник E-R1230 (NTN)
Цилиндрический роликоподшипник R1222 (NTN)