Главная > Подшипники>N 424

N 424 — Цилиндрический роликоподшипник, импортное производство по ISO стандарту, размер 120x310x72 номер основного исполнения N424.
Производится брендами: CX, ISO, KOYO, NACHI.
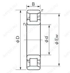
Однорядный цилиндрический роликоподшипник. Внутреннее кольцо подшипника имеет два борта, наружное — без бортов.
Цена по запросу
Цена на подшипник зависит от:
| Обозначение | Модификация |
|---|---|
| N424 M | Однорядный цилиндрический роликоподшипник. Внутреннее кольцо подшипника имеет два борта, наружное — без бортов. M = массивный латунный сепаратор. |
Габаритные размеры
Размеры и геометрические характеристики
Нагрузка и ресурс
Защита
Присоединительные размеры
Конструкция и исполнение
Подшипник роликовый радиальный с короткими цилиндрическими роликами без бортов на внутреннем кольце 32424
Подшипник роликовый радиальный с короткими цилиндрическими роликами без бортов на наружном кольце 2424
Подшипник роликовый радиальный 32424М (EPK)
Подшипник роликовый радиальный с короткими цилиндрическими роликами с однобортовым внутренним кольцом 42424
Подшипник роликовый радиальный 6-32424 М (ГПЗ-1)
Подшипник роликовый радиальный 62424