Главная > Подшипники>N 420

N 420 — Цилиндрический роликоподшипник, импортное производство по ISO стандарту, размер 100x250x58 номер основного исполнения N420.
Производится брендами: CX, FBJ, ISO, KOYO, NACHI.
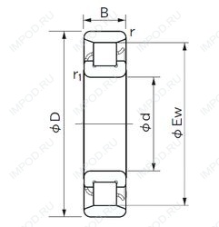
Однорядный цилиндрический роликоподшипник. Внутреннее кольцо подшипника имеет два борта, наружное — без бортов.
Цена по запросу
Цена на подшипник зависит от:
Габаритные размеры
Размеры и геометрические характеристики
Нагрузка и ресурс
Защита
Присоединительные размеры
Конструкция и исполнение
Подшипник роликовый радиальный с короткими цилиндрическими роликами с однобортовым внутренним кольцом 42420
Подшипник роликовый радиальный с короткими цилиндрическими роликами без бортов на наружном кольце 2420
Подшипник роликовый радиальный с короткими цилиндрическими роликами без бортов на внутреннем кольце 32420
Подшипник роликовый радиальный с короткими цилиндрическими роликами с однобортовым внутренним кольцом 42420 М
Подшипник роликовый радиальный 62420
Подшипник роликовый радиальный 8-42420 М (ГПЗ-1)