Главная > Подшипники>N 260

N 260 — Цилиндрический роликоподшипник, импортное производство по ISO стандарту, размер 300x476x85 номер основного исполнения N260.
Производится брендами: ISO, KOYO, NACHI, NTN.
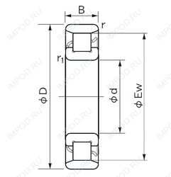
Однорядный цилиндрический роликоподшипник. Внутреннее кольцо подшипника имеет два борта, наружное — без бортов.
Цена по запросу
Цена на подшипник зависит от:
| Обозначение | Модификация |
|---|---|
| N260 E | Однорядный цилиндрический роликоподшипник. Внутреннее кольцо подшипника имеет два борта, наружное — без бортов. Е = Увеличенная грузоподъемность. |
Габаритные размеры
Размеры и геометрические характеристики
Нагрузка и ресурс
Защита
Присоединительные размеры
Конструкция и исполнение