Главная > Подшипники>N 1088

N 1088 — Цилиндрический роликоподшипник, импортное производство по ISO стандарту, размер 440x597x94 номер основного исполнения N1088.
Производится брендами: NACHI, NTN.
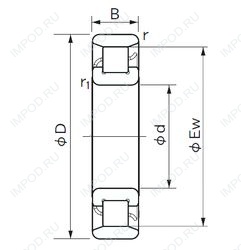
Однорядный цилиндрический роликоподшипник. Внутреннее кольцо подшипника имеет два борта, наружное — без бортов.
Цена по запросу
Цена на подшипник зависит от:
Габаритные размеры
Размеры и геометрические характеристики
Нагрузка и ресурс
Защита
Присоединительные размеры
Конструкция и исполнение