Главная > Подшипники>N 1076

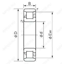
N 1076 — Цилиндрический роликоподшипник, импортное производство по ISO стандарту, размер 380x515x82 номер основного исполнения N1076.
Производится брендами: NACHI, NTN.
Однорядный цилиндрический роликоподшипник. Внутреннее кольцо подшипника имеет два борта, наружное — без бортов.
Цена по запросу
Цена на подшипник зависит от:
Габаритные размеры
Размеры и геометрические характеристики
Нагрузка и ресурс
Защита
Присоединительные размеры
Конструкция и исполнение