Главная > Подшипники>N 1034

N 1034 — Цилиндрический роликоподшипник, импортное производство по ISO стандарту, размер 170x237x42 номер основного исполнения N1034.
Производится брендами: NACHI, NTN.
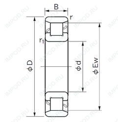
Однорядный цилиндрический роликоподшипник. Внутреннее кольцо подшипника имеет два борта, наружное — без бортов.
Цена от:28 023 р.
Цена на подшипник зависит от:
| Обозначение | Модификация |
|---|---|
| N1034-K-M1-SP | Однорядный цилиндрический роликоподшипник. Внутреннее кольцо подшипника имеет два борта, наружное — без бортов. M1 = Цельный латунный сепаратор, двухкомпонентная, с роликовыми направляющими. SP = Спецификация, класс допуска SP, радиальный зазор C1. |
Габаритные размеры
Размеры и геометрические характеристики
Нагрузка и ресурс
Защита
Присоединительные размеры
Конструкция и исполнение