Главная > Подшипники>N 1026

N 1026 — Цилиндрический роликоподшипник, импортное производство по ISO стандарту, размер 130x182x33 номер основного исполнения N1026.
Производится брендами: KOYO, NACHI, NTN.
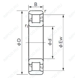
Однорядный цилиндрический роликоподшипник. Внутреннее кольцо подшипника имеет два борта, наружное — без бортов.
Цена от:21 337 р.
Цена на подшипник зависит от:
| Обозначение | Модификация |
|---|---|
| N1026K | Однорядный цилиндрический роликоподшипник. Внутреннее кольцо подшипника имеет два борта, наружное — без бортов. К = Коническая посадка, конусность 1:12. |
| N1026MR | Однорядный цилиндрический роликоподшипник. Внутреннее кольцо подшипника имеет два борта, наружное — без бортов. R = Наружное кольцо с фланцем . |
| N1026MRKR | Однорядный цилиндрический роликоподшипник. Внутреннее кольцо подшипника имеет два борта, наружное — без бортов. К = Коническая посадка, конусность 1:12. |
| N1026-K-M1-SP | Однорядный цилиндрический роликоподшипник. Внутреннее кольцо подшипника имеет два борта, наружное — без бортов. M1 = Цельный латунный сепаратор, двухкомпонентная, с роликовыми направляющими. SP = Спецификация, класс допуска SP, радиальный зазор C1. |
Габаритные размеры
Размеры и геометрические характеристики
Нагрузка и ресурс
Защита
Коэффициенты для расчета
Присоединительные размеры
Конструкция и исполнение