Главная > Подшипники>N 1008

N 1008 — Цилиндрический роликоподшипник, импортное производство по ISO стандарту, размер 40x61x15 номер основного исполнения N1008.
Производится брендами: CYSD, FBJ, KOYO, NACHI, NTN.
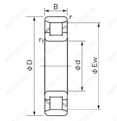
Однорядный цилиндрический роликоподшипник. Внутреннее кольцо подшипника имеет два борта, наружное — без бортов.
Цена от:2 304 р.
Цена на подшипник зависит от:
| Обозначение | Модификация |
|---|---|
| N1008K | Однорядный цилиндрический роликоподшипник. Внутреннее кольцо подшипника имеет два борта, наружное — без бортов. К = Коническая посадка, конусность 1:12. |
| N1008MR | Однорядный цилиндрический роликоподшипник. Внутреннее кольцо подшипника имеет два борта, наружное — без бортов. R = Наружное кольцо с фланцем . |
| N1008MRKR | Однорядный цилиндрический роликоподшипник. Внутреннее кольцо подшипника имеет два борта, наружное — без бортов. К = Коническая посадка, конусность 1:12. |
| N1008-K-M1-SP | Однорядный цилиндрический роликоподшипник. Внутреннее кольцо подшипника имеет два борта, наружное — без бортов. M1 = Цельный латунный сепаратор, двухкомпонентная, с роликовыми направляющими. SP = Спецификация, класс допуска SP, радиальный зазор C1. |
| N 1008 KTN/SP | Однорядный цилиндрический роликоподшипник. Внутреннее кольцо подшипника имеет два борта, наружное — без бортов. K = коническое отверстие, конус 1:12. T = Литая защелкивающаяся сепаратор из армированного стекловолокном полиамида. |
| N 1008 KPHA/SP | Однорядный цилиндрический роликоподшипник. Внутреннее кольцо подшипника имеет два борта, наружное — без бортов. SP = Специальный класс точности для подшипников станков: точность размеров приблизительно до P5, точность хода приблизительно до P4. |
| N 1008 KTNHA/SP | Однорядный цилиндрический роликоподшипник. Внутреннее кольцо подшипника имеет два борта, наружное — без бортов. TNH = Пластиковый фиксатор, тип защелки. |
| N 1008 KTN/HC5SP | Однорядный цилиндрический роликоподшипник. Внутреннее кольцо подшипника имеет два борта, наружное — без бортов. TNH = Пластиковый фиксатор, тип защелки. |
| N 1008 KPHA/HC5SP | Однорядный цилиндрический роликоподшипник. Внутреннее кольцо подшипника имеет два борта, наружное — без бортов. C5 = Радиальный внутренний зазор больше C4. |
| N 1008 KTNHA/HC5SP | Однорядный цилиндрический роликоподшипник. Внутреннее кольцо подшипника имеет два борта, наружное — без бортов. TNH = Пластиковый фиксатор, тип защелки. |
Габаритные размеры
Размеры и геометрические характеристики
Нагрузка и ресурс
Защита
Коэффициенты для расчета
Присоединительные размеры
Конструкция и исполнение