Главная > Подшипники>N 1005

N 1005 — Подшипник однорядный шариковый радиальный, импортное производство по ISO стандарту, размер 25x41x12 номер основного исполнения N1005.
Производится брендами: NACHI, NTN.
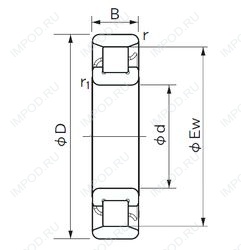
Однорядный цилиндрический роликоподшипник. Внутреннее кольцо подшипника имеет два борта, наружное — без бортов.
Цена по запросу
Цена на подшипник зависит от:
Габаритные размеры
Размеры и геометрические характеристики
Нагрузка и ресурс
Защита
Присоединительные размеры
Конструкция и исполнение