Главная > Подшипники>MRJ7.1/2

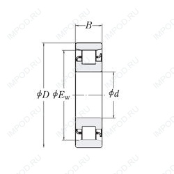
MRJ7.1/2 — Цилиндрический роликоподшипник, импортное производство по ISO стандарту, размер 190x368x69 номер основного исполнения .
Производитель: RHP.
Цена по запросу
Цена на подшипник зависит от:
Габаритные размеры
Размеры и геометрические характеристики
Нагрузка и ресурс
Защита
Конструкция и исполнение