Главная > Подшипники> Шариковые> Радиальные>MR 137

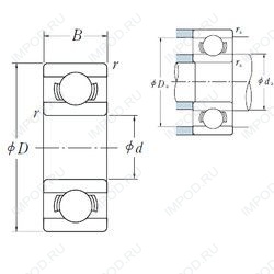
MR 137 — Подшипник однорядный шариковый радиальный, импортное производство по ISO стандарту номер основного исполнения MR137.
Производится брендами: FBJ, ISB, ISO, NSK, ZEN.
Цена от:34 р.
Цена на подшипник зависит от:
Габаритные размеры
Размеры и геометрические характеристики
Нагрузка и ресурс
Подшипник шариковый радиальный MF137 (FBJ, ISB, ISO, NSK, ZEN)
Радиальный шарикоподшипник MF137-2Z (ZEN)
Подшипник шариковый радиальный MF137ZZ (FBJ, ISB, ISO, NSK)
Радиальный шарикоподшипник MF137-2RS (ZEN)
Радиальный шарикоподшипник ML7013 (KOYO)
Радиальный шарикоподшипник MLF7013 (KOYO)