Главная > Подшипники> Роликовые > Игольчатые>MM3520

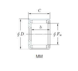
MM3520 — Подшипник игольчатый радиальный, импортное производство по ISO стандарту, размер 35x42x20 основное исполнение.
Производитель: KOYO.
Цена по запросу
Цена на подшипник зависит от:
Габаритные размеры
Размеры и геометрические характеристики
Нагрузка и ресурс
Защита
Конструкция и исполнение
Другие размеры
Подшипник игольчатый радиальный CK354220E (EPK)
Подшипник роликовый игольчатый с наружным кольцом с плоским дном с сепаратором ВК354220
Подшипник радиальный роликовый игольчатый однорядный без колец К35X42X20
Подшипник роликовый игольчатый с наружным кольцом с профилированным дном без сепаратора НД354220
Подшипник роликовый игольчатый с наружным кольцом со сквозным отверстием без сепаратора НК354220
Подшипник роликовый игольчатый с наружным кольцом с профилированным дном без сепаратора СК354220