Главная > Подшипники> Роликовые > Игольчатые>MM2520

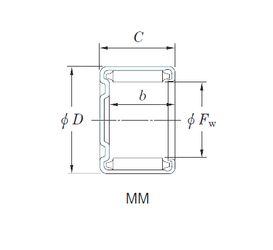
MM2520 — Подшипник игольчатый радиальный, импортное производство по ISO стандарту, размер 25x32x20 основное исполнение.
Производитель: KOYO.
Цена по запросу
Цена на подшипник зависит от:
Габаритные размеры
Размеры и геометрические характеристики
Нагрузка и ресурс
Защита
Конструкция и исполнение
Другие размеры
Подшипник роликовый игольчатый с наружным кольцом с плоским дном с сепаратором ВК253220
Подшипник роликовый игольчатый с наружным кольцом с профилированным дном без сепаратора НД253220
Подшипник роликовый игольчатый с наружным кольцом со сквозным отверстием без сепаратора НК253220
Подшипник роликовый игольчатый с наружным кольцом с профилированным дном без сепаратора СК253220
Подшипник игольчатый радиальный BM2520 (KOYO)
Роликовый игольчатый подшипник BTM2520A (KOYO)