Главная > Подшипники> Шариковые> Радиальные>MLF7011

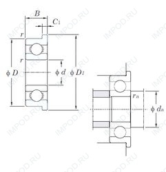
MLF7011 — Радиальный шарикоподшипник, импортное производство по ISO стандарту основное исполнение.
Производитель: KOYO.
Цена по запросу
Цена на подшипник зависит от:
Габаритные размеры
Размеры и геометрические характеристики
Нагрузка и ресурс
Подшипник шариковый радиальный MF117 (FBJ, ISB, ISO, NSK, ZEN)
Радиальный шарикоподшипник MF117-2Z (ZEN)
Подшипник шариковый радиальный MF117ZZ (FBJ, ISB, ISO, NSK)
Радиальный шарикоподшипник MF117-2RS (ZEN)
Радиальный шарикоподшипник ML7011 (KOYO)
Подшипник однорядный шариковый радиальный MR117 (FBJ, ISB, ISO, NSK, ZEN)