Главная > Подшипники> Шариковые> Радиальные>MLF4008

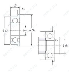
MLF4008 — Радиальный шарикоподшипник, импортное производство по ISO стандарту основное исполнение.
Производитель: KOYO.
Цена по запросу
Цена на подшипник зависит от:
Габаритные размеры
Размеры и геометрические характеристики
Нагрузка и ресурс
Подшипник однорядный шариковый радиальный MF84 (FBJ, ISB, ISO, NSK, ZEN)
Радиальный шарикоподшипник MF84-2RS (ZEN)
Подшипник однорядный шариковый радиальный MF84ZZ (FBJ, ISB, ISO, NSK)
Радиальный шарикоподшипник MF84-2Z (ZEN)
Радиальный шарикоподшипник ML4008Z (KOYO)
Радиальный шарикоподшипник ML4008 (KOYO)