Главная > Подшипники> Роликовые > Игольчатые>MKM4520

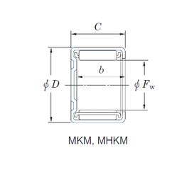
MKM4520 — Подшипник игольчатый радиальный, импортное производство по ISO стандарту, размер 45x52x20 основное исполнение.
Производитель: KOYO.
Цена по запросу
Цена на подшипник зависит от:
Габаритные размеры
Размеры и геометрические характеристики
Нагрузка и ресурс
Защита
Конструкция и исполнение
Другие размеры
Подшипник игольчатый радиальный HK455220 (EPK)
Подшипник игольчатый радиальный CЛ455220 (EPK)
Подшипник роликовый игольчатый с наружным кольцом с плоским дном с сепаратором ВК455220
Подшипник радиальный роликовый игольчатый однорядный без колец К45X52X20
Подшипник роликовый игольчатый с наружным кольцом с профилированным дном без сепаратора НД455220
Подшипник роликовый игольчатый с наружным кольцом со сквозным отверстием без сепаратора НК455220