Главная > Подшипники> Роликовые > Игольчатые>MKM4030

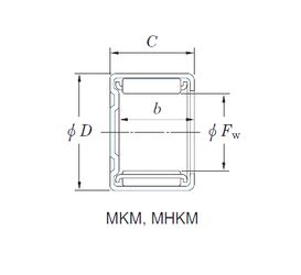
MKM4030 — Подшипник игольчатый радиальный, импортное производство по ISO стандарту, размер 40x50x30 основное исполнение.
Производитель: KOYO.
Цена по запросу
Цена на подшипник зависит от:
Габаритные размеры
Размеры и геометрические характеристики
Нагрузка и ресурс
Защита
Конструкция и исполнение
Другие размеры
Подшипник роликовый игольчатый 524708
Подшипник игольчатый радиальный BTM4030-1 (KOYO)
Игольчатый роликоподшипник FJL-4030L (NSK)
Роликовый игольчатый подшипник HMK4030 (NTN)
Игольчатый роликоподшипник MFJL-4030L (NSK)
Роликовый игольчатый подшипник NK 40/30 (AST, CX, FBJ, INA, ISO)