Главная > Подшипники> Роликовые > Игольчатые>MKM3820

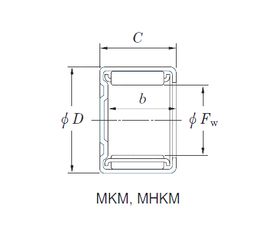
MKM3820 — Подшипник игольчатый радиальный, импортное производство по ISO стандарту, размер 38x48x20 основное исполнение.
Производитель: KOYO.
Цена по запросу
Цена на подшипник зависит от:
Габаритные размеры
Размеры и геометрические характеристики
Нагрузка и ресурс
Защита
Конструкция и исполнение
Другие размеры
Подшипник роликовый игольчатый с наружным кольцом с плоским дном с сепаратором ВК384820
Подшипник игольчатый радиальный ИКВ38X48X20Д (МПЗ)
Подшипник роликовый игольчатый с наружным кольцом с профилированным дном без сепаратора НД384820
Подшипник роликовый игольчатый с наружным кольцом со сквозным отверстием без сепаратора НК384820
Подшипник роликовый игольчатый с наружным кольцом с профилированным дном без сепаратора СК384820
Цилиндрический роликоподшипник BK384820 (CX, ISO)