Главная > Подшипники> Роликовые > Игольчатые>MKM3730

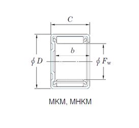
MKM3730 — Подшипник игольчатый радиальный, импортное производство по ISO стандарту, размер 37x47x30 основное исполнение.
Производитель: KOYO.
Цена по запросу
Цена на подшипник зависит от:
Габаритные размеры
Размеры и геометрические характеристики
Нагрузка и ресурс
Защита
Конструкция и исполнение
Другие размеры
Роликовый игольчатый подшипник NK 37/30 (CX, FBJ, INA, ISO, JNS)
Подшипник игольчатый радиальный BTM3730 (KOYO)
Роликовый игольчатый подшипник HMK3730 (NTN)
Роликовый игольчатый подшипник NK37/30-XL (INA)
Роликовый игольчатый подшипник NK37/30R (NTN)
Игольчатый роликоподшипник RLM3730 (NSK)