Главная > Подшипники> Роликовые > Игольчатые>MKM2512

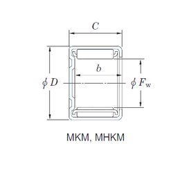
MKM2512 — Подшипник игольчатый радиальный, импортное производство по ISO стандарту, размер 25x32x12 основное исполнение.
Производитель: KOYO.
Цена по запросу
Цена на подшипник зависит от:
Габаритные размеры
Размеры и геометрические характеристики
Нагрузка и ресурс
Защита
Конструкция и исполнение
Другие размеры
Подшипник роликовый игольчатый с наружным кольцом с плоским дном с сепаратором ВК253212
Подшипник роликовый игольчатый с наружным кольцом с профилированным дном без сепаратора НД253212
Подшипник роликовый игольчатый с наружным кольцом со сквозным отверстием без сепаратора НК253212
Подшипник роликовый игольчатый с наружным кольцом с профилированным дном без сепаратора СК253212
Роликовый игольчатый подшипник BK2512 (CX, ISO, KOYO, NBS, NTN)
Подшипник игольчатый радиальный BTM2512 (KOYO)