Главная > Подшипники> Роликовые > Игольчатые>MKM162414U

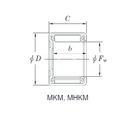
MKM162414U — Подшипник игольчатый радиальный, импортное производство по ISO стандарту, размер 16x24x14 номер основного исполнения .
Производитель: KOYO.
Цена по запросу
Цена на подшипник зависит от:
Габаритные размеры
Размеры и геометрические характеристики
Нагрузка и ресурс
Защита
Конструкция и исполнение
Другие размеры
Подшипник роликовый игольчатый с наружным кольцом с плоским дном с сепаратором ВК162414
Подшипник роликовый игольчатый с наружным кольцом с профилированным дном без сепаратора НД162414
Подшипник роликовый игольчатый с наружным кольцом со сквозным отверстием без сепаратора НК162414
Подшипник роликовый игольчатый с наружным кольцом с профилированным дном без сепаратора СК162414
Подшипник роликовый игольчатый СН-162414 НСЮ
Цилиндрический роликоподшипник BK162414 (CX, ISO)