Главная > Подшипники> Роликовые > Игольчатые>MK981

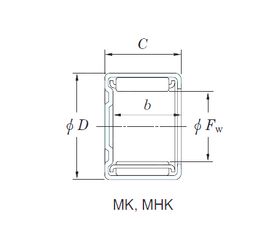
MK981 — Подшипник игольчатый радиальный, импортное производство по ISO стандарту, размер 14x19x12 основное исполнение.
Производитель: KOYO.
Цена по запросу
Цена на подшипник зависит от:
Габаритные размеры
Размеры и геометрические характеристики
Нагрузка и ресурс
Защита
Конструкция и исполнение
Другие размеры
Роликовый игольчатый подшипник B98 (KOYO, NIS, NSK, TIMKEN)
Подшипник игольчатый радиальный BA 98 Z (IKO, NIS)
Подшипник игольчатый радиальный BAM 98 (IKO, NIS)
Подшипник роликовый игольчатый с одним наружным штампованным кольцом, закрытым с одной стороны BCE98 (INA)
Подшипник игольчатый радиальный BT98 (KOYO)
Игольчатый роликоподшипник DCL98 (NTN)