Главная > Подшипники> Роликовые > Игольчатые>MK961

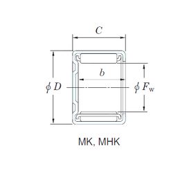
MK961 — Подшипник игольчатый радиальный, импортное производство по ISO стандарту, размер 14x19x9 основное исполнение.
Производитель: KOYO.
Цена по запросу
Цена на подшипник зависит от:
Габаритные размеры
Размеры и геометрические характеристики
Нагрузка и ресурс
Защита
Конструкция и исполнение
Другие размеры
Роликовый игольчатый подшипник B-96 (KOYO, NIS, NSK, TIMKEN)
Роликовый игольчатый подшипник B96-1 (KOYO)
Подшипник игольчатый радиальный BA 96 Z (IKO, NIS)
Подшипник игольчатый радиальный BAM 96 (IKO, NIS)
Подшипник роликовый игольчатый с одним наружным штампованным кольцом, закрытым с одной стороны BCE96 (INA)
Подшипник игольчатый радиальный BT96P (KOYO)