Главная > Подшипники> Роликовые > Игольчатые>MK9101

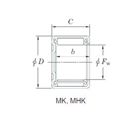
MK9101 — Подшипник игольчатый радиальный, импортное производство по ISO стандарту, размер 14x19x15 основное исполнение.
Производитель: KOYO.
Цена по запросу
Цена на подшипник зависит от:
Габаритные размеры
Размеры и геометрические характеристики
Нагрузка и ресурс
Защита
Конструкция и исполнение
Другие размеры
Роликовый игольчатый подшипник B-910 (KOYO, NIS, NSK, TIMKEN)
Подшипник игольчатый радиальный BA 910 Z (IKO, NIS)
Подшипник игольчатый радиальный BAM 910 (IKO, NIS)
Подшипник роликовый игольчатый с одним наружным штампованным кольцом, закрытым с одной стороны BCE910 (INA)
Подшипник игольчатый радиальный BT910 (KOYO)
Игольчатый роликоподшипник DCL910 (NTN)