Главная > Подшипники> Роликовые > Игольчатые>MK881

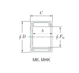
MK881 — Подшипник игольчатый радиальный, импортное производство по ISO стандарту, размер 12x17x12 основное исполнение.
Производитель: KOYO.
Цена по запросу
Цена на подшипник зависит от:
Габаритные размеры
Размеры и геометрические характеристики
Нагрузка и ресурс
Защита
Конструкция и исполнение
Другие размеры
Подшипник роликовый игольчатый 464701 Ю1 (ГПЗ-3)
Подшипник игольчатый радиальный 464701 У1 (ГПЗ-11)
Подшипник роликовый игольчатый с наружным кольцом со сквозным отверстием без сепаратора 941/12
Цилиндрический роликоподшипник BK121712 (CX, ISO)
Цилиндрический роликоподшипник HK121712 (CX, ISO)
Роликовый игольчатый подшипник B-88 (KOYO, NIS, NSK, TIMKEN)