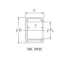
Главная > Подшипники> Роликовые > Игольчатые>MK871

MK871 — Подшипник игольчатый радиальный, импортное производство по ISO стандарту, размер 12x17x11 основное исполнение.
Производитель: KOYO.
Цена по запросу
Цена на подшипник зависит от:
Габаритные размеры
Размеры и геометрические характеристики
Нагрузка и ресурс
Защита
Конструкция и исполнение
Другие размеры
Подшипник игольчатый радиальный 464601 У1 (ГПЗ-11)
Роликовый игольчатый подшипник B-87 (KOYO, NIS, NSK, TIMKEN)
Подшипник игольчатый радиальный BA 87 Z (IKO, NIS)
Подшипник игольчатый радиальный BAM 87 (IKO, NIS)
Подшипник роликовый игольчатый с одним наружным штампованным кольцом, закрытым с одной стороны BCE87 (INA)
Подшипник игольчатый радиальный BT87 (KOYO)