Главная > Подшипники> Роликовые > Игольчатые>MK781

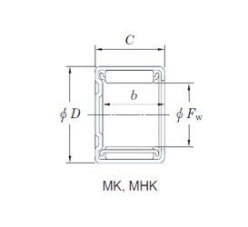
MK781 — Подшипник игольчатый радиальный, импортное производство по ISO стандарту, размер 11x15x12 основное исполнение.
Производитель: KOYO.
Цена по запросу
Цена на подшипник зависит от:
Габаритные размеры
Размеры и геометрические характеристики
Нагрузка и ресурс
Защита
Конструкция и исполнение
Другие размеры
Роликовый игольчатый подшипник B-78 (KOYO, NIS, NSK, TIMKEN)
Подшипник игольчатый радиальный BA 78 Z (IKO, NIS)
Подшипник игольчатый радиальный BAM 78 (IKO, NIS)
Подшипник роликовый игольчатый с одним наружным штампованным кольцом, закрытым с одной стороны BCE78 (INA)
Подшипник игольчатый радиальный BT78 (KOYO)
Игольчатый роликоподшипник DCL78 (NTN)