Главная > Подшипники> Роликовые > Игольчатые>MK681

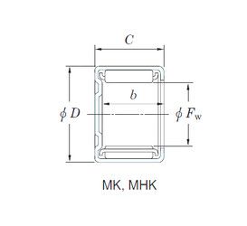
MK681 — Подшипник игольчатый радиальный, импортное производство по ISO стандарту, размер 9x14x12 основное исполнение.
Производитель: KOYO.
Цена по запросу
Цена на подшипник зависит от:
Габаритные размеры
Размеры и геометрические характеристики
Нагрузка и ресурс
Защита
Конструкция и исполнение
Другие размеры
Роликовый игольчатый подшипник B-68 (KOYO, NIS, NSK, TIMKEN)
Подшипник игольчатый радиальный B68-1 (KOYO)
Подшипник игольчатый радиальный BA 68 Z (IKO, NIS)
Подшипник игольчатый радиальный BAM 68 (IKO, NIS)
Подшипник роликовый игольчатый с одним наружным штампованным кольцом, закрытым с одной стороны BCE68 (INA)
Подшипник игольчатый радиальный BT68 (KOYO)