Главная > Подшипники> Шариковые> Радиально-упорные>MJT9

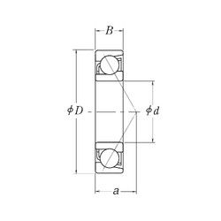
MJT9 — Радиально-упорный шарикоподшипник, импортное производство по ISO стандарту, размер 228x431x76 номер основного исполнения .
Производитель: RHP.
Цена по запросу
Цена на подшипник зависит от:
Габаритные размеры
Размеры и геометрические характеристики
Нагрузка и ресурс
Защита
Конструкция и исполнение