Главная > Подшипники> Шариковые> Радиально-упорные>MJT4.1/4

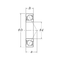
MJT4.1/4 — Шариковый радиально-упорный подшипник однонаправленный, импортное производство по ISO стандарту, размер 107x222x44 номер основного исполнения .
Производится брендами: NIS, RHP.
Цена по запросу
Цена на подшипник зависит от:
Габаритные размеры
Размеры и геометрические характеристики
Нагрузка и ресурс
Защита
Конструкция и исполнение
Прочие характеристики
Самоустанавливающийся шарикоподшипник NMJ4.1/4 (RHP, SIGMA)
Цилиндрический роликоподшипник MMRJ4.1/4 (RHP)
Однорядный цилиндрический роликовый подшипник MRJ 4.1/4 (NIS, RHP, SIGMA)
Подшипник шариковый с четырехточечным контактом QJM 4.1/4 (SIGMA)
Подшипник однорядный шариковый радиальный RMS34 (NIS)