Главная > Подшипники> Шариковые> Радиально-упорные>MJT3/8

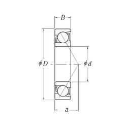
MJT3/8 — Шариковый радиально-упорный подшипник однонаправленный, импортное производство по ISO стандарту, размер 9x38x14 номер основного исполнения .
Производится брендами: NIS, RHP.
Цена по запросу
Цена на подшипник зависит от:
Габаритные размеры
Размеры и геометрические характеристики
Нагрузка и ресурс
Защита
Конструкция и исполнение
Прочие характеристики